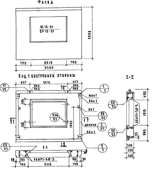
НР1-36.29.3-3

Чертеж изделия:
Чертеж НР1-36.29.3-3
Характеристики изделия:
ПараметрЗначение
Длина3590 мм
Ширина300 мм
Высота2900 мм
Масса3035 кг
Нормативный документСерия 1.132-1

НР1-36.29.3-3   Наружная стеновая панель рядовая по Серии 1.132-1.